DCAudioDIY.com

DC Area Audio DIYer's Community
It is currently October 18th, 2025, 6:10 pm

All times are UTC - 5 hours [ DST ]




Post new topic Reply to topic  [ 7 posts ] 
Author Message
PostPosted: November 5th, 2020, 2:54 pm 
Offline
User avatar

Joined: December 14th, 2013, 2:19 pm
Posts: 1011
I am in desperate need of at least one wafer. Nearing the end of a project to refurbish one using an LM4780 chip amp in place of a failed power amp and recapped/re-resistored line/phono stage when I discovered the broken wafer.

It MAY becthe same as a PAT4. Does anyone have one or have a source for one. Ebay and Marketplace searches come up with nothing.

Thanks in advance,

Stuart


Top
 Profile  
 
PostPosted: November 5th, 2020, 3:40 pm 
Offline
User avatar

Joined: July 24th, 2015, 4:17 pm
Posts: 1834
Location: Parkville, Maryland
Stuart Polansky wrote:
I am in desperate need of at least one wafer. Nearing the end of a project to refurbish one using an LM4780 chip amp in place of a failed power amp and recapped/re-resistored line/phono stage when I discovered the broken wafer.

It MAY becthe same as a PAT4. Does anyone have one or have a source for one. Ebay and Marketplace searches come up with nothing.

Thanks in advance,

Stuart

Is there any chance you can repair it? Two-part epoxy can be amazing in situations like that.

_________________
Walt


Top
 Profile  
 
PostPosted: November 5th, 2020, 4:10 pm 
Offline
User avatar

Joined: February 19th, 2017, 9:43 am
Posts: 535
I doubt if what I have is an exact replacement, but I do have a few selector switches that are new. Can you provide some details, perhaps a picture or two. I'll do the same, probably today.

_________________
I have too much stuff - https://www.pleasebuymystuff.com


Top
 Profile  
 
PostPosted: November 5th, 2020, 5:20 pm 
Offline
User avatar

Joined: December 14th, 2013, 2:19 pm
Posts: 1011
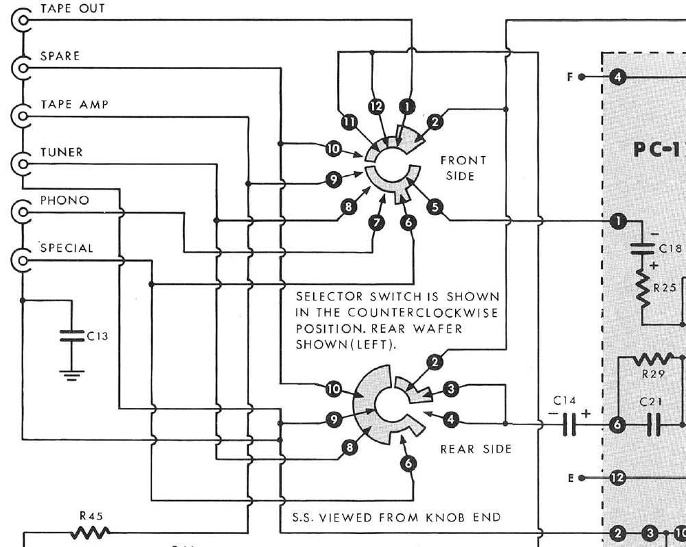
After looking at my progress pictures, I see that I broke the switch. As careful as I thought I was being, the bending moment from trying to neatly remove those 10k resistors obviously broke it.

Here are pictures of the damage and a section of the wiring diagram.

Thanks again.


Attachments:
Upper_Break.jpg
Upper_Break.jpg [ 918.75 KiB | Viewed 20064 times ]
Selector_Wiring.PNG
Selector_Wiring.PNG [ 371.6 KiB | Viewed 20064 times ]
Broken_Wafer_Switch.jpg
Broken_Wafer_Switch.jpg [ 1.29 MiB | Viewed 20064 times ]
Top
 Profile  
 
PostPosted: November 5th, 2020, 5:25 pm 
Offline
User avatar

Joined: December 14th, 2013, 2:19 pm
Posts: 1011
Another useless pic


Attachments:
Lower_Break.jpg
Lower_Break.jpg [ 961.57 KiB | Viewed 20063 times ]
Top
 Profile  
 
PostPosted: November 5th, 2020, 5:28 pm 
Offline
User avatar

Joined: February 19th, 2017, 9:43 am
Posts: 535
I took a look at what I have and they are both basic selector switches so I'm afraid I'm not going to be able to help you out. Good luck.

_________________
I have too much stuff - https://www.pleasebuymystuff.com


Top
 Profile  
 
PostPosted: November 5th, 2020, 6:33 pm 
Offline
User avatar

Joined: July 24th, 2015, 4:17 pm
Posts: 1834
Location: Parkville, Maryland
Stuart Polansky wrote:
After looking at my progress pictures, I see that I broke the switch. As careful as I thought I was being, the bending moment from trying to neatly remove those 10k resistors obviously broke it.

Here are pictures of the damage and a section of the wiring diagram.

Thanks again.

Hey Stu! Since the break is out of the way of any electrical connections -- and at the end of the wafer right at the mechanical connections -- I think you have a shot at a successful repair. Also I recommend cleaning the silver oxide off of the electrical connections.

_________________
Walt


Top
 Profile  
 
Display posts from previous:  Sort by  
Post new topic Reply to topic  [ 7 posts ] 

All times are UTC - 5 hours [ DST ]


Who is online

Users browsing this forum: No registered users and 319 guests


You cannot post new topics in this forum
You cannot reply to topics in this forum
You cannot edit your posts in this forum
You cannot delete your posts in this forum
You cannot post attachments in this forum

Search for:
Jump to:  
Powered by phpBB® Forum Software © phpBB Group