A place for discussion of general audio, music and related topics.
December 13th, 2019, 3:28 pm
This one is interesting, but only the output stage. Let's see who can figure out how it actually develops output

Those of you with last names starting with Berning, please wait and give others a chance before you spoil the fun.
Roscoe
- Attachments
-
- qsc-1100-amplifier-schematic.pdf
- (538.2 KiB) Downloaded 721 times
December 13th, 2019, 4:26 pm
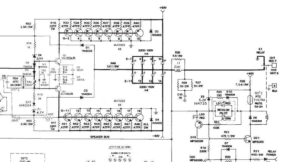
Basically a little brother to my QSC USA 1310. I'm including a schematic of the output section of that amp because with the multiple output devices it is easier to see how it works. Note that the collectors of all the output transistors are connected to ground. The circuit basically forms a quasi bridge with the filter caps in that bridge. The output current to the speakers goes through the main power caps. It is somewhat similar but not quite the same as David and I used in the Cherry Bomb.
- Attachments
-

December 19th, 2019, 4:01 pm
Considering the 1310, the reason this is so attractive is the collectors are grounded, and the transistors can be mounted on a grounded heat sink or the chassis. I have built a number of things like this to have this advantage. It often doesn't matter where you want to define your ground or signal common.
David
December 19th, 2019, 6:26 pm
Yup, both right on the money. Also, as far as the collectors being grounded, that's a big help for field repairs, don't have to worry about some ham-fisted tech screwing up the insulator during a repair. Also, looks like it would at least provide zero-signal short circuit protection. The whole "1" series, and USA series are based on this design. Don't know if any of the later QSC amps use this design or not...
Roscoe
Powered by phpBB © phpBB Group.
phpBB Mobile / SEO by Artodia.