A place to discuss member's DIY audio projects & post pictures/schematics. NOTE: There is a limit of 2MB per attachment, and a maximum of 3 attachments per message. If you need to post more than 3 attachments, just add another message.
March 26th, 2023, 11:21 am
David McGown wrote:Walt,
What I was suggesting was the HF bandwidth of an EI power transformer is limited, and therefore can act as a filter for noise on the lines. For instance, EI core isolation transformers are much more effective than cheaper toroidal isolation transformers in filtering lines noise. Smaller toroidal transformers can have bandwidths up to 100kHz, Richard Sears successfully used an off-the-shelf Talema power transformer as a full audio bandwidth output transformer in a small PP amplifier. Try doing that with a 60Hz EI power transformer. What is best probably depends on circuit susceptibility to EM fields vs. lines noise, i.e., the specific application.
David
Talk about thinking outside the box -- using a power transformer for an audio output transformer.
March 26th, 2023, 12:03 pm
The laminations are typically very thin, high quality silicon steel strip, the dual windings for the primary and secondaries are precisely controlled, the stepdown ratios, particularily for the lower voltage transformers, are in the same range of those of output transformers at speaker level (8 ohm output impedance). The only drawback is they are intolerant of DC, and therefore you need to make sure you have tight balance between the tubes. There are several companies that make toroidal output transformers (Piltron, Toriody, etc.). But from an experimenter's standpoint, a small toroidal power transformer may do just fine for a few watts output in PP. My recollection is that Richard Sears used a 6AS7 tube for a 4W amplifier.
http://www.triodeguy.com/6as7_pp.htm
March 26th, 2023, 4:23 pm
SoundMods wrote:Talk about thinking outside the box -- using a power transformer for an audio output transformer.
I used 9-volt toroids in a parafeed 6V6 amp and you may find this PP design interesting.
https://www.diyaudio.com/community/threads/the-stupendous-6p1p-4pp-amplifier.317395/ray
March 26th, 2023, 5:59 pm
That's a lot of work. NICE! Although it appears to have a boat load of global feedback.
March 26th, 2023, 6:07 pm
I have never used global feedback and out of curiosity would be interested in knowing
1 - how to decide how much is necessary
2 - how to calculate it
Could somebody point me to some sources of info?
ray
March 26th, 2023, 6:16 pm
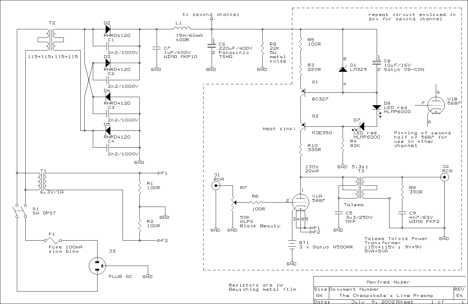
Here's a line stage using power transformers as outputs that a friend in Germany, Manfred Huber, posted many years ago. The article is long gone but lives on in the web archive.
https://web.archive.org/web/20040205145106/http://home.t-online.de/home/MHuber/pre-5687.htm
- Attachments
-

March 26th, 2023, 7:04 pm
ratbagp wrote:I have never used global feedback and out of curiosity would be interested in knowing
1 - how to decide how much is necessary
2 - how to calculate it
Could somebody point me to some sources of info?
ray
Ray,
There is a good article on global negative feedback that I found helpful (but rather technical) on Aiken Amps website:
https://www.aikenamps.com/index.php/des ... e-feedbackAs far as how much negative feedback, that depends. Usually anywhere from 6 to 10 dB for triode amps, and up to 16 to 20dB for PP UL. I have only played around with feedback in the past couple of years, and mainly with PP UL amps.
David
March 26th, 2023, 8:31 pm
Thanks,
ray
March 27th, 2023, 9:54 am
David McGown wrote:
As far as how much negative feedback, that depends. Usually anywhere from 6 to 10 dB for triode amps, and up to 16 to 20dB for PP UL. I have only played around with feedback in the past couple of years, and mainly with PP UL amps.
David
Since my SET Carys had adjustable feedback with a pot -- I found a sweet spot at about 3-db and then got rid of the pot altogether and replaced it with Vishay RN-70 bulk-film resistors. Getting rid of that pot, especially, made a positive difference in playback quality. While I was at it I replaced the stranded feedback wiring running along the chassis from the output transformer to the first gain block with a solid silver-clad copper conductor with a much shorter length running straight to the fist gain block inside a Teflon tube. It was worth the effort.
Of course, with feed back you have to assure stability and sometimes you need a parallel small capacitor to close down the loop at very high frequencies.
Powered by phpBB © phpBB Group.
phpBB Mobile / SEO by Artodia.