
This is my best guess at this. I'm sure TomP, Dave B, Dave M, Bruce, Roscoe, et. al. will correct my errors!
In the text below, feel free to substitute "FET" for "tube".
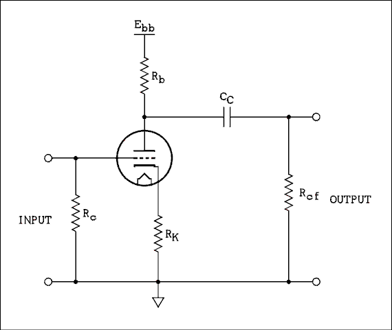
As per the drawings attached, a typical grounded cathode gain stage most times uses a resistor as a plate load. Advantages are simplicity, compact construction and low cost. Drawbacks are higher distortion than other options due to a relatively low resistance versus plate resistance and load to be driven (typically). This gain stage is highly dependent upon load to be driven for it's performance. Installing a larger resistor to gain better linearity (that is a linear current swing +/- vs. grid voltage input) helps, but requires a higher voltage power supply along with it's own attendant problems.
Three other options generally exist: constant current source (a solid state circuit, or a vacuum tube in a follower mode (variations within)), choke loading or transformer loading. All three serve to increase the plate load to a higher impedance and get the tube to operate in a more linear fashion.
With a CCS, the input capacitance and impedance presented to the tube's plate are the important parameters. Instead of a plate resistor of, say 100k ohms, a CCS can "look" like literally millions of ohms to the tube. Drawing a load line on a set of plate load curves can quickly display the advantages of a very high plate load.
The transformer load put's the next stage's input load into the plate circuit of the gain tube; multiplied by the square of the turns ratio. The primary inductance of the transformer determines the low frequency cutoff. This method eliminates a coupling cap, but adds a coupling transformer. Which is worse? Depends.
Similar to the transformer, the choke load is a very high impedance load, and the low frequencies are limited by primary inductance.
Both the choke and transformer have huge advantages over any other loading:
1) Very low resistance (tens to a few hundreds of ohms) means that little B+ is dropped across the choke and almost all is preserved for the tube and voltage swing.
2) Chokes store energy. When the tube current is reduced in the negative going half of the input signal, the choke releases that energy and, in effect, B+ is nearly doubled.
3) Containing no active devices, a well made choke is quiet and transparent, sonically.
Choke and transformer loading is not commonly used for two main reasons: size and cost. If one seeks the finest in amplification, eventually you end up with something like Duelund caps. The cost and size of those caps can exceed that of a transformer. With a choke load, you TYPICALLY still need a DC blocking cap on the output, or a complex bipolar supply and output servo.In the case of the circuit shown of the single ended amp, the plate voltage of the first tube provides bias voltage for the second. The first tube is choke loaded, the second, transformer.
Note: USUALLY the choke load is returned to B+, not as shown in Epstein's schematic, a neat trick.
Hope this helps.
S
- Attachments
-

-

- grounded cathode.gif (5.32 KiB) Viewed 49424 times