Driver StageNote that the output impedance for a cathode follower is about 1/gm, and the 12SN7 has a transconductance of 2.5-3 mA/V, which translates to an output impedance of 330-385 Ω. Add a cathode stopper and we're up to roughly 1 kΩ. Because I already need over 180V for the 2nd stage, it’s easy to use the 12SN7 instead of a lower-plate-voltage tube.
The final stage, designed by John Broskie, is a triode-based cathode follower with a small cathode resistor driven by a complaint CCS, which is powered from a -12-Volt power supply (see
http://www.tubecad.com/2007/04/blog0102.htm.) The compliant CCS looks like an AC CCS to the triode, and sets the cathode-follower DC output to zero volts. The circuit is shown in Figure 6.

- Driver_Stage
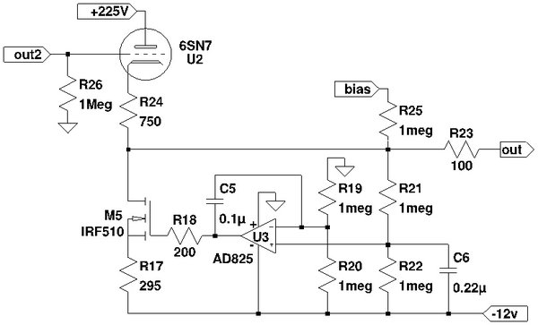
Figure 6: Schematic of Driver (Third) Stage
As Broskie describes , the cathode follower is loaded at its output by a compliant current source, i.e. one that does not have a predetermined quiescent current. Instead, the current source strives to maintain a DC ground-potential input regardless of the current flowing through the cathode follower. It offers high impedance to any AC signal it sees, and in this respect it is a current source. In DC terms, it adjusts its quiescent current until its input is at ground potential over time (roughly, 3 Hz). This is the result of a DC servo loop wrapped around the input of the current source and the output of the op amp U3. If the input moves positive over a long period of time, the net DC drift is fed into the non-inverting input of U3, which causes its output to go positive. The positive-output voltage will drive the MOSFET M5 into greater conduction, which will drive the output more negative. If the output moves negative over a long period of time, the net DC drift is fed into the same non-inverting input of U3, which causes its output to go negative. The negative-output voltage will drive the MOSFET into less conduction, which will drive the output more positive.
The subtlety is that M5 is within the DC-feedback loop, but outside the AC-feedback loop of U3. As the time constant of the RC network made up of the two 1-meg resistors (R21, R22) in parallel and the 0.22-µf capacitor (C6) is so long that no music can fall into it, U3 presents a virtually constant DC voltage to the gate of M5. This steady voltage sets the amount of current that flows through M5; if the tube's idle current drifts over time, U3's output will drift with it. While responding to the music signal, the Cathode Follower's output voltage and current will vary, but too fast to register at the input of U3 and will be ignored.
The 1-meg resistor R25 that connects from a bias voltage to the output gives the compliant current source a current path in the absence of a tube in its socket or at start-up when the tube has yet to conduct any current. This prevents a pop on start-up.
Next, a power supply...